新型コロナ対策が必須になるなか、 大空間に有効な天井散布式で空間全体を除菌、脱臭し有害物質も分解!

室内の温度ムラをなくして、冷暖房効率をアップ!「キープエアバランス」は室内の空気を効率よく還流、平均化させ、空調負担を低減します。
室内空気がエアコン設定温度に早く到達しますので、余計なコンプレッサーの稼働を抑えられます。
空調温度も低く設定できる為、省エネ運転が可能となるので空調電力を下げれます。
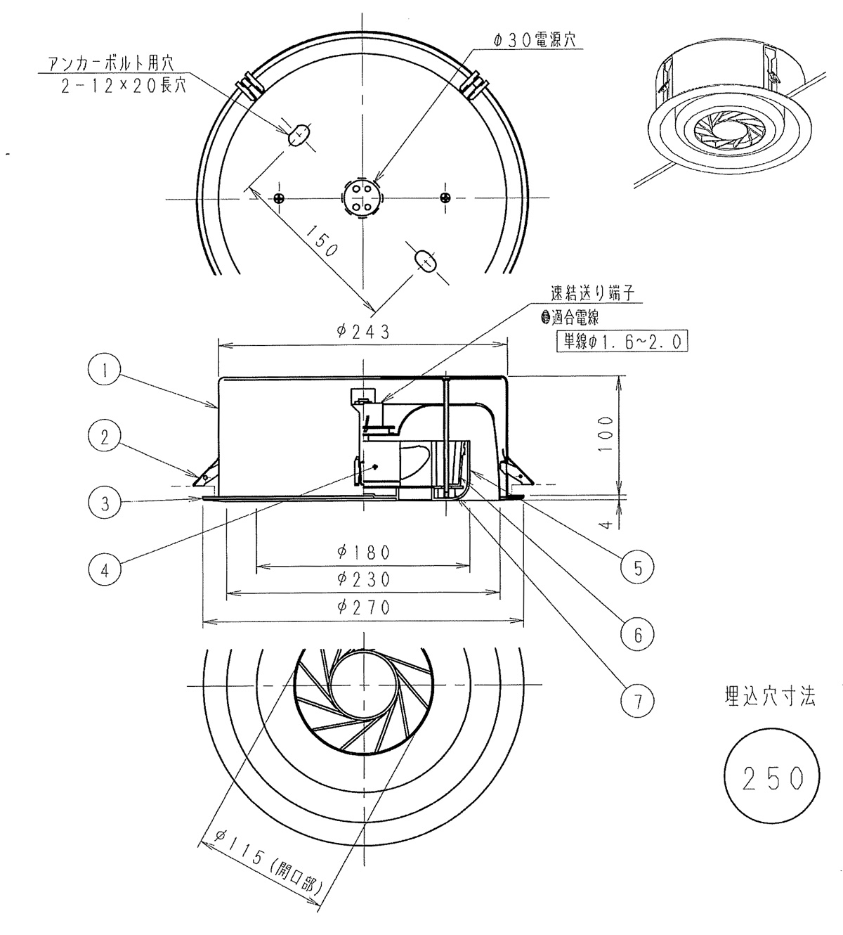
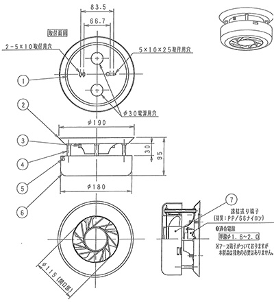
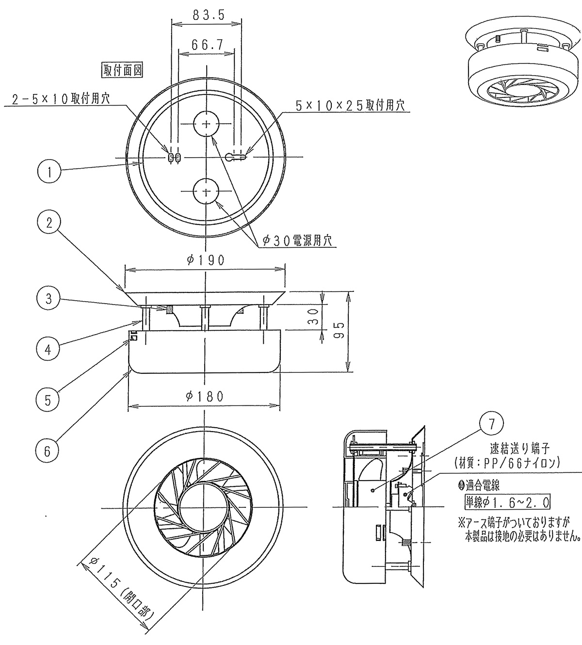
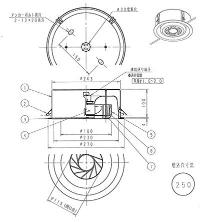
「キープエアバランス」は、天井に設置するタイプの言わば小型サーキュレーター。
足元の冷えを解消。
エアコンに近いお客様ほど空調の影響を受けやすく、遠いお客様と感じる温度に差が生じたりするものですが、「キープエアバランス」はそのような室内の温度ムラ解消。
お客様からの「暑い」や「寒い」といったクレームも減らすことができます。
パチコン店・ホテル・店舗・業務エアコン等の空気環境に関するお問合せなどはお気軽にお問合せください